Главная > Подшипники> Шариковые> Радиальные>UCX08L3

UCX08L3 — Радиальный шарикоподшипник, импортное производство по ISO стандарту, размер 40x85x49 номер основного исполнения UCX08.
Производитель: KOYO.
L = массивный сепаратор из лёгкого сплава.
Цена от:676 р.
Цена на подшипник зависит от:
| Обозначение | Модификация |
|---|---|
| UCX08 | Основное конструктивное исполнение. |
| UCX08-24 | |
| UCX08-24L3 | L = массивный сепаратор из лёгкого сплава. |
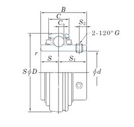
Габаритные размеры
Размеры и геометрические характеристики
Нагрузка и ресурс
Защита
Коэффициенты для расчета
Присоединительные размеры
Конструкция и исполнение
Другие размеры