Главная > Подшипники> Шариковые> Радиальные>UCX07-23L3

UCX07-23L3 — Радиальный шарикоподшипник, импортное производство по ISO стандарту, размер 36x80x49 номер основного исполнения UCX07.
Производитель: KOYO.
L = массивный сепаратор из лёгкого сплава.
Цена от:612 р.
Цена на подшипник зависит от:
| Обозначение | Модификация |
|---|---|
| UCX07 | Основное конструктивное исполнение. |
| UCX07L3 | L = массивный сепаратор из лёгкого сплава. |
| UCX07-23 | |
| UCX07-22 | |
| UCX07-22L3 | L = массивный сепаратор из лёгкого сплава. |
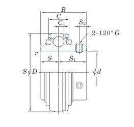
Габаритные размеры
Размеры и геометрические характеристики
Нагрузка и ресурс
Защита
Коэффициенты для расчета
Присоединительные размеры
Конструкция и исполнение
Другие размеры
Радиальный шарикоподшипник E2.YAR208-107-2F (SKF)
Радиальный шарикоподшипник GYM1107KRRB (TIMKEN)
Подшипник для корпуса YAR208-107-2F (SKF)