Главная > Подшипники> Шариковые> Радиальные>UC216-50L3

UC216-50L3 — Радиальный шарикоподшипник, импортное производство по ISO стандарту, размер 79x140x82 номер основного исполнения 216.
Производитель: KOYO.
L = массивный сепаратор из лёгкого сплава.
Цена от:2 528 р.
Цена на подшипник зависит от:
| Обозначение | Модификация |
|---|---|
| Q216 | |
| N216 | Однорядный цилиндрический роликоподшипник. Внутреннее кольцо подшипника имеет два борта, наружное — без бортов. |
| UC216 | |
| UK216 | |
| QJ216 | Шарикоподшипник с четырехточечным контактом. |
| NJ216 | Однорядный цилиндрический роликоподшипник. Наружное кольцо имеет два борта, наружное — один борт. |
| NH216 | |
| NU216 | Однорядный цилиндрический роликоподшипник. Наружное кольцо подшипника имеет два борта, а внутреннее кольцо бортов не имеет. |
| EX216 | |
| NJ216R | Однорядный цилиндрический роликоподшипник. Наружное кольцо имеет два борта, наружное — один борт. R = Наружное кольцо с фланцем . |
| NP 216 | |
| NUP216 | Однорядный цилиндрический роликоподшипник. Наружное кольцо имеет два борта, внутреннее — один борт и одно свободное фланцевое кольцо. Основные размеры по DIN 5412-1, относится к подтипу фиксированные подшипники, разъемные, с сепаратором. |
| NU216R | Однорядный цилиндрический роликоподшипник. Наружное кольцо подшипника имеет два борта, а внутреннее кольцо бортов не имеет. R = Наружное кольцо с фланцем . |
| N216 E | Однорядный цилиндрический роликоподшипник. Внутреннее кольцо подшипника имеет два борта, наружное — без бортов. Е = Увеличенная грузоподъемность. |
| NF 216 | Внутреннем кольце с двойным фланцем, внешнее с одним. |
| BL 216 | |
| NJ216EM | Однорядный цилиндрический роликоподшипник. Наружное кольцо имеет два борта, наружное — один борт. E = Увеличенная грузоподъемность. М = Механически обработанный латунный сепаратор, центрируемый по роликам. |
| UC216D1 | D1 = (Смазка сегмента, код W33) = Смазочная канавка и три отверстия в наружном кольце подшипника. Начиная с = D320 Суффикс D1 не используется. |
| UC216G2 | G2 = установка с нормальным преднатягом. |
| NP216 E | Е = Увеличенная грузоподъемность. |
| UK216+H | H = высокая, узкая каретка для двухрядного шарикоподшипника и направляющей в сборе. |
| UK216D1 | D1 = (Смазка сегмента, код W33) = Смазочная канавка и три отверстия в наружном кольце подшипника. Начиная с = D320 Суффикс D1 не используется. |
| UK216L3 | L = массивный сепаратор из лёгкого сплава. |
| NUP216R | Однорядный цилиндрический роликоподшипник. Наружное кольцо имеет два борта, внутреннее — один борт и одно свободное фланцевое кольцо. Основные размеры по DIN 5412-1, относится к подтипу фиксированные подшипники, разъемные, с сепаратором. R = Наружное кольцо с фланцем . |
| NF216 E | Внутреннем кольце с двойным фланцем, внешнее с одним. Е = Увеличенная грузоподъемность. |
| NH216 E | Е = Увеличенная грузоподъемность. |
| EX216G2 | G2 = установка с нормальным преднатягом. |
| UC216L3 | L = массивный сепаратор из лёгкого сплава. |
| UC216-50 | |
| UCS216D1 | D1 = (Смазка сегмента, код W33) = Смазочная канавка и три отверстия в наружном кольце подшипника. Начиная с = D320 Суффикс D1 не используется. |
| NU 216 E | Однорядный цилиндрический роликоподшипник. Наружное кольцо подшипника имеет два борта, а внутреннее кольцо бортов не имеет. Е = Увеличенная грузоподъемность. |
| UK216G2H | G2 = установка с нормальным преднатягом. |
| QJ216 MA | Шарикоподшипник с четырехточечным контактом. MA = Механически обработанный латунный сепаратор, центрируемый по наружному кольцу. |
| NUP216EM | Однорядный цилиндрический роликоподшипник. Наружное кольцо имеет два борта, внутреннее — один борт и одно свободное фланцевое кольцо. Основные размеры по DIN 5412-1, относится к подтипу фиксированные подшипники, разъемные, с сепаратором. E = Увеличенная грузоподъемность. М = Механически обработанный латунный сепаратор, центрируемый по роликам. |
| N216EG15 | Однорядный цилиндрический роликоподшипник. Внутреннее кольцо подшипника имеет два борта, наружное — без бортов. E = Увеличенная грузоподъемность. G15 = Формованная литьевая клетка из армированного стекловолокном полиамида 6,6, с вращающимся элементом по центру. |
| BL 216 Z | Металлический экран с одной стороны. |
| NJ 216 E | Однорядный цилиндрический роликоподшипник. Наружное кольцо имеет два борта, наружное — один борт. Е = Увеличенная грузоподъемность. |
| GW216PP2 | PP = Манжетные уплотнения на обеих сторонах подшипника. |
| GW216PP5 | P5 = Подшипники 5-го класса точности DIN |
| QJ216N2MA | Шарикоподшипник с четырехточечным контактом. MA = Механически обработанный латунный сепаратор, центрируемый по наружному кольцу. |
| NJ216 ECJ | Однорядный цилиндрический роликоподшипник. Наружное кольцо имеет два борта, наружное — один борт. EC = Оптимизированная внутренняя конструкция, включающая больше и / или более крупные ролики и с модифицированным контактом ролика / концевого фланца. J = Прессованная стальная клетка, по центру ролика, не закаленная. |
| BL216 ZNR | Стопорное кольцо и проточка под него в наружном кольце подшипника. |
| N 216 ECM | Однорядный цилиндрический роликоподшипник. Внутреннее кольцо подшипника имеет два борта, наружное — без бортов. EC = Оптимизированная внутренняя конструкция, включающая больше и / или более крупные ролики и с модифицированным контактом ролика / концевого фланца. M = Механически обработанный латунный сепаратор, центрируемый по роликам. |
| NUP 216 M | Однорядный цилиндрический роликоподшипник. Наружное кольцо имеет два борта, внутреннее — один борт и одно свободное фланцевое кольцо. Основные размеры по DIN 5412-1, относится к подтипу фиксированные подшипники, разъемные, с сепаратором. M = массивный латунный сепаратор. |
| NU 216 EM | Однорядный цилиндрический роликоподшипник. Наружное кольцо подшипника имеет два борта, а внутреннее кольцо бортов не имеет. E = Увеличенная грузоподъемность. М = Механически обработанный латунный сепаратор, центрируемый по роликам. |
| NU216EG15 | Однорядный цилиндрический роликоподшипник. Наружное кольцо подшипника имеет два борта, а внутреннее кольцо бортов не имеет. E = Увеличенная грузоподъемность. G15 = Формованная литьевая клетка из армированного стекловолокном полиамида 6,6, с вращающимся элементом по центру. |
| QJ216 MPA | Шарикоподшипник с четырехточечным контактом. MPA = Механически обработанный латунный сепаратор. |
| YAR216-2F | Механически обработанный сепаратор из стали или чугуна, центрируемый по телам качения. |
| NUP 216 E | Однорядный цилиндрический роликоподшипник. Наружное кольцо имеет два борта, внутреннее — один борт и одно свободное фланцевое кольцо. Основные размеры по DIN 5412-1, относится к подтипу фиксированные подшипники, разъемные, с сепаратором. Е = Увеличенная грузоподъемность. |
| N216-E-M6 | Однорядный цилиндрический роликоподшипник. Внутреннее кольцо подшипника имеет два борта, наружное — без бортов. E = Увеличенная грузоподъемность. М = Механически обработанный латунный сепаратор, центрируемый по роликам. |
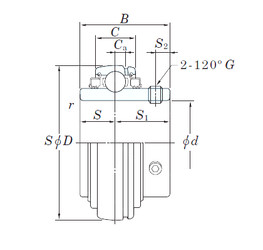
Габаритные размеры
Размеры и геометрические характеристики
Нагрузка и ресурс
Защита
Коэффициенты для расчета
Присоединительные размеры
Конструкция и исполнение
Другие размеры