Главная > Подшипники> Роликовые > Радиально-упорные>TRA161404

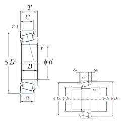
TRA161404 — Подшипник роликовый радиально-упорный, импортное производство по ISO стандарту, размер 80x142x38 основное исполнение.
Производитель: KOYO.
Цена по запросу
Цена на подшипник зависит от:
Габаритные размеры
Размеры и геометрические характеристики
Защита
Конструкция и исполнение