Главная > Подшипники> Роликовые > Радиально-упорные>TR9015038

TR9015038 — Подшипник роликовый радиально-упорный, импортное производство по ISO стандарту, размер 90x150x38 основное исполнение.
Производитель: KBC.
Цена по запросу
Цена на подшипник зависит от:
Габаритные размеры
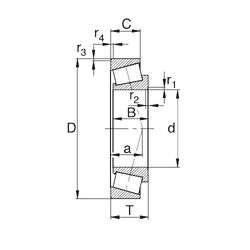
Размеры и геометрические характеристики
Нагрузка и ресурс
Защита
Коэффициенты для расчета
Присоединительные размеры
Конструкция и исполнение
Однорядный конический роликовый подшипник TRA181504 (KOYO)
Подшипник роликовый радиально-упорный TRA181504HR4SH2 (KOYO)