Главная > Подшипники> Роликовые > Радиально-упорные>TR528520

TR528520 — Подшипник роликовый радиально-упорный, импортное производство по ISO стандарту, размер 52x85x20 основное исполнение.
Производитель: KBC.
Цена по запросу
Цена на подшипник зависит от:
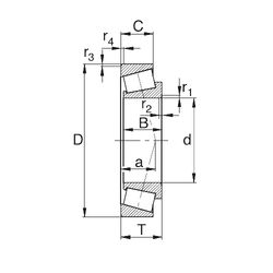
Габаритные размеры
Размеры и геометрические характеристики
Нагрузка и ресурс
Защита
Коэффициенты для расчета
Присоединительные размеры
Конструкция и исполнение
Конический роликоподшипник 4T-CR-1075 (NTN)
Конический роликоподшипник R52Z-4 (NSK)
Однорядный конический роликовый подшипник TR100902 (KOYO)