Главная > Подшипники> Роликовые > Радиально-упорные>TR407215

TR407215 — Подшипник роликовый радиально-упорный, импортное производство по ISO стандарту, размер 40x72x15 основное исполнение.
Производитель: KBC.
Цена по запросу
Цена на подшипник зависит от:
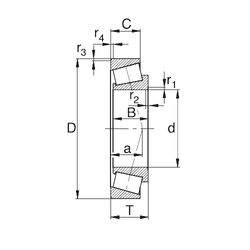
Габаритные размеры
Размеры и геометрические характеристики
Нагрузка и ресурс
Защита
Коэффициенты для расчета
Присоединительные размеры
Конструкция и исполнение
Осевой радиально-упорный шарикоподшипник 40TAB07 (NACHI)
Осевой радиально-упорный шарикоподшипник 40TAB07-2LR (NACHI)
Осевой радиально-упорный шарикоподшипник 40TAB07-2NK (NACHI)
Опорный подшипник шарико-винтовой передачи 40TAB07DB (NACHI)
Шариковый радиально-упорный подшипник однонаправленный 40TAC72B (NSK)
Опорный подшипник шарико-винтовой передачи 40TAB07DF-2NK (NACHI)