Главная > Подшипники> Роликовые > Радиально-упорные>TR286819

TR286819 — Подшипник роликовый радиально-упорный, импортное производство по ISO стандарту, размер 28x68x19 основное исполнение.
Производитель: KBC.
Цена по запросу
Цена на подшипник зависит от:
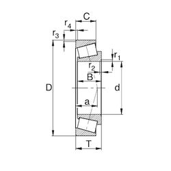
Габаритные размеры
Размеры и геометрические характеристики
Нагрузка и ресурс
Защита
Коэффициенты для расчета
Присоединительные размеры
Конструкция и исполнение
Радиальный шарикоподшипник 712106210 (INA)
Подшипник однорядный шариковый радиальный F-122502 (INA, PFI)
Подшипник роликовый радиально-упорный 303/28CR (KOYO)
Подшипник роликовый радиально-упорный 303/28C (KBC)
Подшипник роликовый радиально-упорный 303/28R (KOYO)
Однорядный конический роликовый подшипник 303/28F (Fersa)