Главная > Подшипники> Роликовые > Радиально-упорные>TR286322h

TR286322h — Подшипник роликовый радиально-упорный, импортное производство по ISO стандарту, размер 28x63x22 номер основного исполнения TR286322.
Производитель: KBC.
H = высокая, узкая каретка для двухрядного шарикоподшипника и направляющей в сборе.
Цена по запросу
Цена на подшипник зависит от:
| Обозначение | Модификация |
|---|---|
| TR286322 | Основное конструктивное исполнение. |
| TR286322HL | L = массивный сепаратор из лёгкого сплава. |
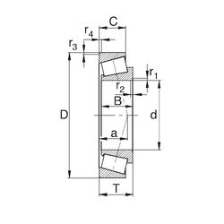
Габаритные размеры
Размеры и геометрические характеристики
Нагрузка и ресурс
Защита
Коэффициенты для расчета
Присоединительные размеры
Конструкция и исполнение
Конический роликоподшипник CR0614 (NTN)
Однорядный конический роликовый подшипник ET-CR0614ST (NTN)
Конический роликоподшипник R28-9 (NSK)