Главная > Подшипники> Роликовые > Радиально-упорные>TR244113

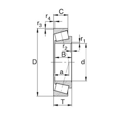
TR244113 — Подшипник роликовый радиально-упорный, импортное производство по ISO стандарту, размер 24x41x12 основное исполнение.
Производитель: KBC.
Цена по запросу
Цена на подшипник зависит от:
Габаритные размеры
Размеры и геометрические характеристики
Нагрузка и ресурс
Защита
Коэффициенты для расчета
Присоединительные размеры
Конструкция и исполнение