Главная > Подшипники> Роликовые > Радиально-упорные>TR191604

TR191604 — Подшипник роликовый радиально-упорный, импортное производство по ISO стандарту, размер 95x160x42 основное исполнение.
Производитель: KOYO.
Цена по запросу
Цена на подшипник зависит от:
| Обозначение | Модификация |
|---|---|
| TR191604HR4SH2 | R = Наружное кольцо с фланцем . |
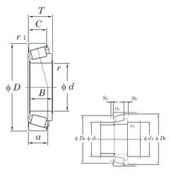
Габаритные размеры
Размеры и геометрические характеристики
Защита
Конструкция и исполнение