Главная > Подшипники> Роликовые > Радиально-упорные>TR131305R

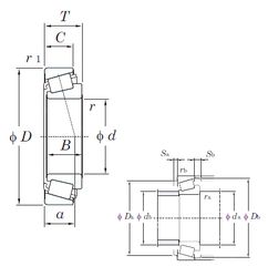
TR131305R — Однорядный конический роликовый подшипник, импортное производство по ISO стандарту, размер 65x130x51 номер основного исполнения .
Производитель: KOYO.
R = Наружное кольцо с фланцем .
Цена по запросу
Цена на подшипник зависит от:
Габаритные размеры
Размеры и геометрические характеристики
Защита
Конструкция и исполнение
Конический роликоподшипник 65KW01 (NSK)
Однорядный конический роликовый подшипник CR1355 (NTN)
Подшипник роликовый радиально-упорный TR6513051 (KBC)