Главная > Подшипники> Роликовые > Радиально-упорные>TR111104

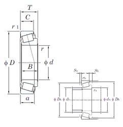
TR111104 — Подшипник роликовый радиально-упорный, импортное производство по ISO стандарту, размер 55x105x36 основное исполнение.
Производитель: KOYO.
Цена по запросу
Цена на подшипник зависит от:
Габаритные размеры
Размеры и геометрические характеристики
Защита
Конструкция и исполнение