Главная > Подшипники> Роликовые > Радиально-упорные>TR101004

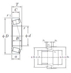
TR101004 — Подшипник роликовый радиально-упорный, импортное производство по ISO стандарту, размер 50x100x38 основное исполнение.
Производитель: KOYO.
Цена по запросу
Цена на подшипник зависит от:
Габаритные размеры
Размеры и геометрические характеристики
Защита
Конструкция и исполнение