Главная > Подшипники> Роликовые > Радиально-упорные>TR0809ARUR

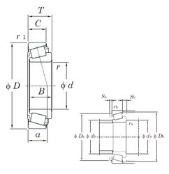
TR0809ARUR — Подшипник роликовый радиально-упорный, импортное производство по ISO стандарту, размер 40x90x35 номер основного исполнения .
Производитель: KOYO.
A = Модифицированная внутренняя конструкция. R = Наружное кольцо с фланцем.
Цена по запросу
Цена на подшипник зависит от:
Габаритные размеры
Размеры и геометрические характеристики
Защита
Конструкция и исполнение
Однорядный конический роликовый подшипник 32308 (CRAFT, CYSD, FAG, FBJ, ISB)
Однорядный конический роликовый подшипник 32308 J (FAG, KBC)
Однорядный конический роликовый подшипник 32308 J2 (FAG)
Подшипник роликовый радиально-упорный 2В0-7608 А1Ш2 (ГПЗ-1)
Подшипник роликовый радиально-упорный 2В0-7608 А (ГПЗ-1)
Подшипник роликовый радиально-упорный 2В0-7608 А1 (ГПЗ-1)