Главная > Подшипники> Роликовые > Радиально-упорные>TR070904-1LFT

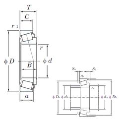
TR070904-1LFT — Подшипник роликовый радиально-упорный, импортное производство по ISO стандарту, размер 35x89x38 номер основного исполнения .
Производитель: KOYO.
Механически обработанный сепаратор из стали или чугуна, центрируемый по телам качения.
Цена по запросу
Цена на подшипник зависит от:
Габаритные размеры
Размеры и геометрические характеристики
Защита
Конструкция и исполнение
Подшипник роликовый радиально-упорный F15202 (Fersa)
Однорядный конический роликовый подшипник R35-24 (NSK)
Подшипник роликовый радиально-упорный TR070904-1-9LFT (KOYO)