Главная > Подшипники> Роликовые > Радиально-упорные>TR0708-1R

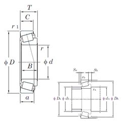
TR0708-1R — Однорядный конический роликовый подшипник, импортное производство по ISO стандарту, размер 35x80x32 номер основного исполнения .
Производитель: KOYO.
R = Наружное кольцо с фланцем .
Цена по запросу
Цена на подшипник зависит от:
Габаритные размеры
Размеры и геометрические характеристики
Нагрузка и ресурс
Защита
Коэффициенты для расчета
Присоединительные размеры
Конструкция и исполнение
Однорядный конический роликовый подшипник 32307 (CRAFT, CYSD, FAG, FBJ, ISB)
Подшипник шариковый упорный однонаправленный 51407 (CX, FAG, FBJ, ISB, ISO)
Подшипник роликовый радиально-упорный конический однорядный 6-27607
Подшипник роликовый радиально-упорный 6-27607 А
Подшипник роликовый радиально-упорный 6-7607 АК (ГПЗ-15)
Подшипник роликовый радиально-упорный конический 6-7607 АУШ