Главная > Подшипники> Роликовые > Радиально-упорные>TR0506R

TR0506R — Однорядный конический роликовый подшипник, импортное производство по ISO стандарту, размер 25x62x18 номер основного исполнения .
Производитель: KOYO.
R = Наружное кольцо с фланцем .
Цена по запросу
Цена на подшипник зависит от:
Габаритные размеры
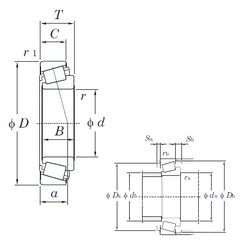
Размеры и геометрические характеристики
Нагрузка и ресурс
Защита
Коэффициенты для расчета
Присоединительные размеры
Конструкция и исполнение
Однорядный конический роликовый подшипник 30305 (CRAFT, CYSD, FBJ, ISB, ISO)
Однорядный конический роликовый подшипник 31305 (CYSD, FAG, FBJ, ISB, ISO)
Подшипник роликовый радиально-упорный 27705