Главная > Подшипники> Роликовые > Упорные>TC5266

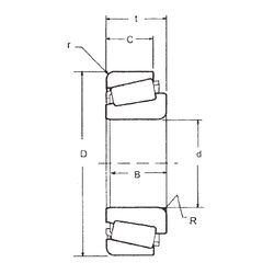
TC5266 — Подшипник роликовый упорный игольчатый, импортное производство по ISO стандарту, размер 82x104x3 основное исполнение.
Производитель: INA.
Цена по запросу
Цена на подшипник зависит от:
Габаритные размеры
Размеры и геометрические характеристики
Нагрузка и ресурс
Прочие характеристики