Главная > Подшипники> Роликовые > Упорные>TC4860

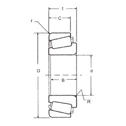
TC4860 — Роликовый игольчатый подшипник, импортное производство по ISO стандарту, размер 76x95x1 основное исполнение.
Производитель: INA.
Цена по запросу
Цена на подшипник зависит от:
Габаритные размеры
Размеры и геометрические характеристики
Нагрузка и ресурс
Прочие характеристики