Главная > Подшипники> Шариковые> Упорные>TAC45-2T85

TAC45-2T85 — Осевой радиально-упорный шарикоподшипник, импортное производство по ISO стандарту, размер 45x110x27 номер основного исполнения .
Производитель: NSK.
T = Механически обработанный сепаратор из текстолита, центрируемый по телам качения.
Цена по запросу
Цена на подшипник зависит от:
Габаритные размеры
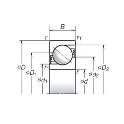
Размеры и геометрические характеристики
Нагрузка и ресурс
Защита
Конструкция и исполнение
Подшипник шариковый радиальный сферический двухрядный с закрепительной втулкой 11309
Подшипник шариковый радиальный сферический двухрядный с закрепительной втулкой 2ВО-11309
Подшипник шариковый радиальный самоцентрирующийся 1310 KTN9+H310 (ISB)
Подшипник шариковый радиально-сферический 1310-K-TVH-C3 + H310 (FAG)
Цилиндрический роликоподшипник J45-13A (NSK)
Подшипник роликовый радиальный самоцентрирующийся 21310 K+AHX310 (ISB)