Главная > Подшипники> Шариковые> Упорные>TAC35-2T85

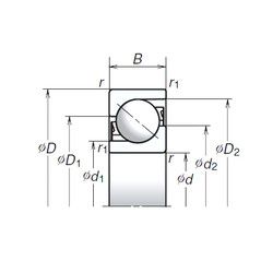
TAC35-2T85 — Осевой радиально-упорный шарикоподшипник, импортное производство по ISO стандарту, размер 35x90x23 номер основного исполнения .
Производитель: NSK.
T = Механически обработанный сепаратор из текстолита, центрируемый по телам качения.
Цена по запросу
Цена на подшипник зависит от:
Габаритные размеры
Размеры и геометрические характеристики
Нагрузка и ресурс
Защита
Конструкция и исполнение
Подшипник шариковый радиальный сферический двухрядный с закрепительной втулкой 11307 К (ГПЗ-8)
Подшипник шариковый радиальный сферический двухрядный с закрепительной втулкой 11307
Подшипник шариковый радиальный сферический двухрядный с закрепительной втулкой 2ВО-11307 К
Подшипник шариковый радиальный сферический двухрядный с закрепительной втулкой ВО-11307
Радиальный шарикоподшипник 6308X50CM40 (NTN)
Радиальный шарикоподшипник B35Z-4C3 (NSK)