Главная > Подшипники> Роликовые > Радиально-упорные>T7FC095

T7FC095 — Однорядный конический роликовый подшипник, импортное производство по ISO стандарту, размер 95x180x49 номер основного исполнения .
Производитель: FAG.
Конический роликоподшипник некоторых метрических размеров по стандарту ISO 355-1977
С = Необслуживаемые концы стержней, внутренняя резьба.
Цена по запросу
Цена на подшипник зависит от:
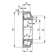
Габаритные размеры
Размеры и геометрические характеристики
Нагрузка и ресурс
Коэффициенты для расчета
Присоединительные размеры