Главная > Подшипники> Роликовые > Радиально-упорные>T7FC080/QCL7C

T7FC080/QCL7C — Однорядный конический роликовый подшипник, импортное производство по ISO стандарту, размер 80x160x45 номер основного исполнения .
Производитель: SKF.
Конический роликоподшипник некоторых метрических размеров по стандарту ISO 355-1977
С = Необслуживаемые концы стержней, внутренняя резьба.
Цена от:7 075 р.
Цена на подшипник зависит от:
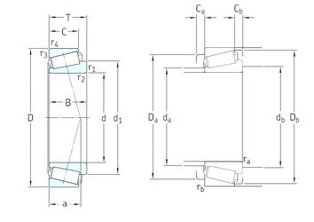
Габаритные размеры
Размеры и геометрические характеристики
Нагрузка и ресурс
Защита
Коэффициенты для расчета
Присоединительные размеры
Конструкция и исполнение
Однорядный конический роликовый подшипник JW8049/JW8010 (Fersa, TIMKEN)
Подшипник роликовый радиально-упорный JW8049/10 (CX, ISO)
Однорядный конический роликовый подшипник T7FC080 (FAG)