Главная > Подшипники> Роликовые > Радиально-упорные>T7FC070/QCL7C

T7FC070/QCL7C — Однорядный конический роликовый подшипник, импортное производство по ISO стандарту, размер 70x140x39 номер основного исполнения .
Производитель: SKF.
Конический роликоподшипник некоторых метрических размеров по стандарту ISO 355-1977
С = Необслуживаемые концы стержней, внутренняя резьба.
Цена от:4 970 р.
Цена на подшипник зависит от:
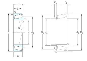
Габаритные размеры
Размеры и геометрические характеристики
Нагрузка и ресурс
Защита
Коэффициенты для расчета
Присоединительные размеры
Конструкция и исполнение
Подшипник роликовый радиально-упорный 27714 АЛ (ГПЗ-23)
Подшипник роликовый радиально-упорный 6У-27714 А1К (ГПЗ-15)
Конический роликоподшипник 4T-T7FC070 (NTN)
Однорядный конический роликовый подшипник JW7049/JW7010 (Fersa, TIMKEN)
Подшипник роликовый радиально-упорный JW7049/10 (CX, ISO)
Однорядный конический роликовый подшипник T7FC070 (CX, FAG, ISO, KOYO, NKE)