Главная > Подшипники> Роликовые > Радиально-упорные>T7FC065/QCL7C

T7FC065/QCL7C — Однорядный конический роликовый подшипник, импортное производство по ISO стандарту, размер 65x130x37 номер основного исполнения .
Производитель: SKF.
Конический роликоподшипник некоторых метрических размеров по стандарту ISO 355-1977
С = Необслуживаемые концы стержней, внутренняя резьба.
Цена от:4 446 р.
Цена на подшипник зависит от:
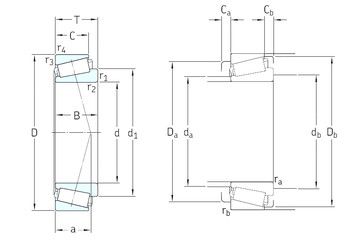
Габаритные размеры
Размеры и геометрические характеристики
Нагрузка и ресурс
Защита
Коэффициенты для расчета
Присоединительные размеры
Конструкция и исполнение
Конический роликоподшипник 4T-T7FC065 (NTN)
Подшипник роликовый радиально-упорный JW6549/10 (CX, ISO)
Однорядный конический роликовый подшипник JW6549/JW6510 (TIMKEN)
Однорядный конический роликовый подшипник T7FC065 (CX, FAG, ISO, KOYO, NKE)