Главная > Подшипники> Роликовые > Радиально-упорные>T5ED060

T5ED060 — Подшипник роликовый конический, импортное производство по ISO стандарту, размер 60x115x39 номер основного исполнения .
Производится брендами: CX, FAG, ISO, KOYO, NKE.
Конический роликоподшипник некоторых метрических размеров по стандарту ISO 355-1977
D = профиль наружного кольца, усовершенствованный, с увеличенной зоной несущей нагрузки и оптимизированными краевыми переходами.
Цена по запросу
Цена на подшипник зависит от:
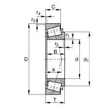
Габаритные размеры
Размеры и геометрические характеристики
Нагрузка и ресурс
Защита
Коэффициенты для расчета
Присоединительные размеры
Конструкция и исполнение