Главная > Подшипники> Роликовые > Радиально-упорные>T4EB240

T4EB240 — Однорядный конический роликовый подшипник, импортное производство по ISO стандарту, размер 240x320x42 номер основного исполнения .
Производится брендами: CX, ISO, NKE.
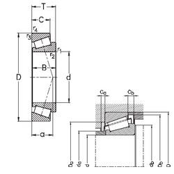
Конический роликоподшипник некоторых метрических размеров по стандарту ISO 355-1977
B = однокомпонентное ребристое внутреннее кольцо.
Цена по запросу
Цена на подшипник зависит от:
Габаритные размеры
Размеры и геометрические характеристики
Нагрузка и ресурс
Защита
Коэффициенты для расчета
Присоединительные размеры
Конструкция и исполнение
Конический роликоподшипник JP24049/JP24010 (TIMKEN)
Конический роликоподшипник NP849042/NP403673 (TIMKEN)