Главная > Подшипники> Роликовые > Радиально-упорные>T4DB170

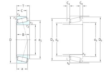
T4DB170 — Однорядный конический роликовый подшипник, импортное производство по ISO стандарту, размер 170x230x32 номер основного исполнения .
Производится брендами: FAG, PSL, SKF.
Конический роликоподшипник некоторых метрических размеров по стандарту ISO 355-1977
B = однокомпонентное ребристое внутреннее кольцо.
Цена от:15 494 р.
Цена на подшипник зависит от:
Габаритные размеры
Размеры и геометрические характеристики
Нагрузка и ресурс
Защита
Коэффициенты для расчета
Присоединительные размеры
Конструкция и исполнение
Однорядный конический роликовый подшипник JP17049/JP17010 (TIMKEN)
Подшипник роликовый радиально-упорный JP17049/10 (CX, ISO)