Главная > Подшипники> Роликовые > Радиально-упорные>T3912-1

T3912-1 — Подшипник роликовый радиально-упорный, импортное производство по ISO стандарту, размер 60x105x35 номер основного исполнения 3912.
Производитель: KOYO.
Конический роликоподшипник некоторых метрических размеров по стандарту ISO 355-1977
Цена по запросу
Цена на подшипник зависит от:
| Обозначение | Модификация |
|---|---|
| 3912 | Основное конструктивное исполнение. |
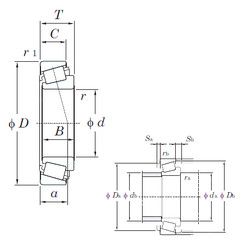
Габаритные размеры
Размеры и геометрические характеристики
Защита
Конструкция и исполнение