Главная > Подшипники> Роликовые > Радиально-упорные>T2EE060

T2EE060 — Однорядный конический роликовый подшипник, импортное производство по ISO стандарту, размер 60x115x40 номер основного исполнения .
Производится брендами: CX, FAG, ISO, KOYO, NKE.
Конический роликоподшипник некоторых метрических размеров по стандарту ISO 355-1977
Е = Увеличенная грузоподъемность.
Цена по запросу
Цена на подшипник зависит от:
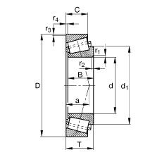
Габаритные размеры
Размеры и геометрические характеристики
Нагрузка и ресурс
Защита
Коэффициенты для расчета
Присоединительные размеры
Конструкция и исполнение
Конический роликоподшипник 4T-T2EE060 (NTN)
Однорядный конический роликовый подшипник JF6049/JF6010 (Fersa, TIMKEN)
Подшипник роликовый радиально-упорный JF6049/10 (CX, ISO)