Главная > Подшипники> Роликовые > Радиально-упорные>T2DC220

T2DC220 — Однорядный конический роликовый подшипник, импортное производство по ISO стандарту, размер 220x285x41 номер основного исполнения .
Производится брендами: CX, ISO, NKE, PSL, SKF.
Конический роликоподшипник некоторых метрических размеров по стандарту ISO 355-1977
C2 = Радиальный внутренний зазор меньше нормального.
Цена по запросу
Цена на подшипник зависит от:
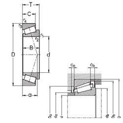
Габаритные размеры
Размеры и геометрические характеристики
Нагрузка и ресурс
Защита
Коэффициенты для расчета
Присоединительные размеры
Конструкция и исполнение