Главная > Подшипники> Роликовые > Радиально-упорные>T2CC022

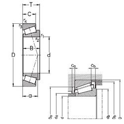
T2CC022 — Однорядный конический роликовый подшипник, импортное производство по ISO стандарту, размер 22x47x17 номер основного исполнения .
Производится брендами: CX, ISO, KOYO, NKE.
Конический роликоподшипник некоторых метрических размеров по стандарту ISO 355-1977
С = Необслуживаемые концы стержней, внутренняя резьба.
Цена по запросу
Цена на подшипник зависит от:
Габаритные размеры
Размеры и геометрические характеристики
Нагрузка и ресурс
Защита
Коэффициенты для расчета
Присоединительные размеры
Конструкция и исполнение