Главная > Подшипники> Роликовые > Радиально-упорные>STA5793LFT

STA5793LFT — Однорядный конический роликовый подшипник, импортное производство по ISO стандарту, размер 57x93x21 номер основного исполнения .
Производитель: KOYO.
Механически обработанный сепаратор из стали или чугуна, центрируемый по телам качения.
Цена по запросу
Цена на подшипник зависит от:
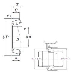
Габаритные размеры
Размеры и геометрические характеристики
Защита
Конструкция и исполнение