Главная > Подшипники> Роликовые > Радиально-упорные>ST4595 B-9LFT

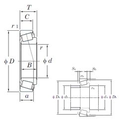
ST4595 B-9LFT — Подшипник роликовый радиально-упорный, импортное производство по ISO стандарту, размер 45x95x35 номер основного исполнения .
Производитель: KOYO.
Механически обработанный сепаратор из стали или чугуна, центрируемый по телам качения.
Цена по запросу
Цена на подшипник зависит от:
Габаритные размеры
Размеры и геометрические характеристики
Защита
Конструкция и исполнение
Подшипник роликовый радиально-упорный ST4595LFT (KOYO)
Конический роликовый подшипник R45-33g (NSK)