Главная > Подшипники> Роликовые > Радиально-упорные>ST3668-9YR1LFTSH6

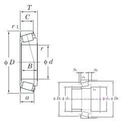
ST3668-9YR1LFTSH6 — Однорядный конический роликовый подшипник, импортное производство по ISO стандарту, размер 36x68x22 номер основного исполнения .
Производитель: KOYO.
9Y = Y = (Сегментная клетка, код Y) = Листовая латунная клетка, направляемый элемент качения.
Цена по запросу
Цена на подшипник зависит от:
Габаритные размеры
Размеры и геометрические характеристики
Защита
Конструкция и исполнение