Главная > Подшипники> Роликовые > Радиально-упорные>ST3590

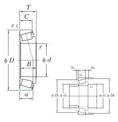
ST3590 — Подшипник роликовый радиально-упорный, импортное производство по ISO стандарту, размер 35x90x21 основное исполнение.
Производитель: KOYO.
Цена по запросу
Цена на подшипник зависит от:
Габаритные размеры
Размеры и геометрические характеристики
Защита
Конструкция и исполнение