Главная > Подшипники> Роликовые > Радиально-упорные>ST3580-1

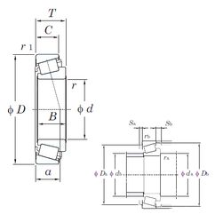
ST3580-1 — Однорядный конический роликовый подшипник, импортное производство по ISO стандарту, размер 35x80x26 номер основного исполнения .
Производитель: KOYO.
Цена по запросу
Цена на подшипник зависит от:
Габаритные размеры
Размеры и геометрические характеристики
Защита
Конструкция и исполнение
Подшипник шариковый радиальный однорядный с двухсторонним уплотнением 180707 АС17 (ГПЗ-8)
Подшипник шариковый радиальный 180707 С17
Подшипник шариковый радиальный однорядный с двухсторонним уплотнением 2ВО-180707 АС17
Радиальный шарикоподшипник SA1004 (FAG)
Радиально-упорный шарикоподшипник PW35800026/21CS (PFI)
Подшипник роликовый радиально-упорный HC ST3580-1 (KOYO)