Главная > Подшипники> Шариковые> Радиальные>SR8

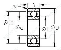
SR8 — Радиальный шарикоподшипник, импортное производство по ISO стандарту, размер 12x28x6 номер основного исполнения .
Производится брендами: AST, ZEN.
Цена от:151 р.
Цена на подшипник зависит от:
Габаритные размеры
Размеры и геометрические характеристики
Нагрузка и ресурс
Защита
Присоединительные размеры
Конструкция и исполнение
Прочие характеристики
Подшипник шариковый радиальный 6-901 (ГПЗ-4)
Подшипник шариковый из нержавеющей стали AS5KDD (TIMKEN)
Радиальный шарикоподшипник AS5KD (TIMKEN)
Радиальный шарикоподшипник AS5K (TIMKEN)
Подшипник шариковый радиальный FR8 (AST, FBJ, ISB)
Подшипник однорядный шариковый радиальный KLNJ1/2 (RHP)