Главная > Подшипники> Шариковые> Радиальные>SR4AZZ

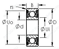
SR4AZZ — Подшипник шариковый из нержавеющей стали, импортное производство по ISO стандарту, размер 6x19x7 номер основного исполнения .
Производитель: AST.
A = внутренняя модификация конструкции. ZZ = Закрыт с двух сторон металлическими шайбами.
Цена от:61 р.
Цена на подшипник зависит от:
Габаритные размеры
Размеры и геометрические характеристики
Нагрузка и ресурс
Присоединительные размеры
Конструкция и исполнение
Прочие характеристики
Подшипник однорядный шариковый радиальный 77R4A (FBJ)
Радиальный шарикоподшипник D/W R4A-2Z (SKF)
Радиальный шарикоподшипник EE2S ZZ (KOYO)
Радиальный шарикоподшипник KLNJ1/4-2Z (RHP)
Подшипник однорядный шариковый радиальный KLNJ1/4-2RS (RHP)
Радиальный шарикоподшипник SR4A-2Z (ZEN)