Главная > Подшипники> Шариковые> Радиальные>SR3ZZ

SR3ZZ — Подшипник шариковый из нержавеющей стали, импортное производство по ISO стандарту, размер 4x12x4 номер основного исполнения .
Производитель: AST.
ZZ = Два металлических экрана.
Цена от:49 р.
Цена на подшипник зависит от:
Габаритные размеры
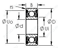
Размеры и геометрические характеристики
Нагрузка и ресурс
Присоединительные размеры
Конструкция и исполнение
Прочие характеристики
Подшипник однорядный шариковый радиальный 604 (CX, FBJ, INA, ISB, ISO)
Подшипник однорядный шариковый радиальный 14
Подшипник шариковый радиальный 4-640014 К1П
Подшипник шариковый радиальный 5-640014 К
Подшипник шариковый радиальный 5-640014
Подшипник шариковый радиальный однорядный с одной защитной шайбой 60014