Главная > Подшипники> Шариковые> Радиальные>SR3AZZ

SR3AZZ — Подшипник шариковый из нержавеющей стали, импортное производство по ISO стандарту, размер 4x15x4 номер основного исполнения .
Производитель: AST.
A = внутренняя модификация конструкции. ZZ = Закрыт с двух сторон металлическими шайбами.
Цена от:49 р.
Цена на подшипник зависит от:
Габаритные размеры
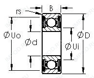
Размеры и геометрические характеристики
Нагрузка и ресурс
Присоединительные размеры
Конструкция и исполнение
Прочие характеристики
Подшипник шариковый радиальный 77R3A (FBJ)
Радиальный шарикоподшипник D/W R3A (SKF)
Радиальный шарикоподшипник D/W R3A-2RS1 (SKF)
Радиальный шарикоподшипник D/W R3A-2Z (SKF)
Радиальный шарикоподшипник FR3A (ZEN)
Радиальный шарикоподшипник FR3A-2Z (ZEN)