Главная > Подшипники> Шариковые> Радиальные>SR2-5ZZY05

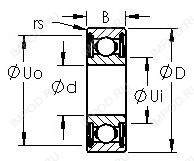
SR2-5ZZY05 — Шарикоподшипник из нержавеющей стали дюймовая серия, импортное производство по ISO стандарту, размер 3x7x2 номер основного исполнения .
Производитель: AST.
ZZ = Два металлических экрана.
Цена от:56 р.
Цена на подшипник зависит от:
Габаритные размеры
Размеры и геометрические характеристики
Нагрузка и ресурс
Присоединительные размеры
Конструкция и исполнение
Прочие характеристики
Подшипник шариковый радиальный однорядный 1000083
Подшипник шариковый радиальный однорядный 05-2000083 У1
Подшипник шариковый радиальный однорядный 05-2000083 П
Подшипник шариковый радиальный однорядный 05-2000083 Ю5Т
Подшипник шариковый радиальный однорядный с упорным бортом на наружном кольце 05-1840083
Подшипник шариковый радиальный однорядный 05-2000083