Главная > Подшипники> Шариковые> Радиальные>SR2-5ZZA0305

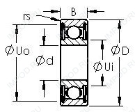
SR2-5ZZA0305 — Шарикоподшипник из нержавеющей стали дюймовая серия, импортное производство по ISO стандарту, размер 3x12x2 номер основного исполнения .
Производитель: AST.
ZZ = Два металлических экрана.
Цена от:56 р.
Цена на подшипник зависит от:
Габаритные размеры
Размеры и геометрические характеристики
Нагрузка и ресурс
Присоединительные размеры
Конструкция и исполнение
Прочие характеристики