Главная > Подшипники> Шариковые> Радиальные>SR2-5ZZ

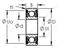
SR2-5ZZ — Подшипник однорядный шариковый радиальный, импортное производство по ISO стандарту, размер 3x7x3 номер основного исполнения .
Производитель: AST.
ZZ = Два металлических экрана.
Цена от:56 р.
Цена на подшипник зависит от:
Габаритные размеры
Размеры и геометрические характеристики
Нагрузка и ресурс
Присоединительные размеры
Конструкция и исполнение
Прочие характеристики
Подшипник шариковый радиальный однорядный с одной защитной шайбой 3060083
Подшипник шариковый радиальный однорядный с двумя защитными шайбами 3080083
Подшипник шариковый радиальный однорядный с упорным бортом на наружном кольце и одной защитной шайбой 3860083
Подшипник шариковый радиальный однорядный с упорным бортом на наружном кольце и двумя защитными шайбами 3880083
Подшипник шариковый радиальный 3860083 ЮТ
Подшипник шариковый радиальный 4-3860083