Главная > Подшипники> Шариковые> Радиальные>SR1810ZZA02

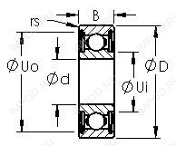
SR1810ZZA02 — Шарикоподшипник из нержавеющей стали дюймовая серия, импортное производство по ISO стандарту, размер 7x15x3 номер основного исполнения .
Производитель: AST.
ZZ = Два металлических экрана.
Цена по запросу
Цена на подшипник зависит от:
Габаритные размеры
Размеры и геометрические характеристики
Нагрузка и ресурс
Присоединительные размеры
Конструкция и исполнение
Прочие характеристики