Главная > Подшипники> Шариковые> Радиальные>SR1810ZZ

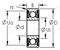
SR1810ZZ — Подшипник однорядный шариковый радиальный, импортное производство по ISO стандарту, размер 7x12x3 номер основного исполнения .
Производитель: AST.
ZZ = Два металлических экрана.
Цена по запросу
Цена на подшипник зависит от:
Габаритные размеры
Размеры и геометрические характеристики
Нагрузка и ресурс
Присоединительные размеры
Конструкция и исполнение
Прочие характеристики
Радиальный шарикоподшипник FL677ZZ (NTN)
Радиальный шарикоподшипник FLWA677Z (NTN)
Подшипник однорядный шариковый радиальный FR 1810 ZZ (FBJ, ISB, ISO, NSK)
Подшипник шариковый радиальный FR1810 (FBJ, ISB, ISO, NSK)
Радиальный шарикоподшипник FR1810-2Z (ZEN)
Радиальный шарикоподшипник SFR1810-2Z (ZEN)