Главная > Подшипники> Шариковые> Радиальные>SR1-4ZZ

SR1-4ZZ — импортное производство по ISO стандарту, размер 1x6x3 номер основного исполнения .
Производитель: AST.
ZZ = Два металлических экрана.
Цена по запросу
Цена на подшипник зависит от:
Габаритные размеры
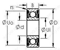
Размеры и геометрические характеристики
Нагрузка и ресурс
Присоединительные размеры
Конструкция и исполнение
Прочие характеристики
Подшипник шариковый радиальный 601XZZ (FBJ, ISB, ISO)
Радиальный шарикоподшипник 601X-2Z (ZEN)
Радиальный шарикоподшипник F601X-2Z (ZEN)
Подшипник шариковый радиальный FL60/1.5 ZZ (CX, ISO)