Главная > Подшипники> Шариковые> Радиальные>SR0ZZ

SR0ZZ — Подшипник шариковый из нержавеющей стали, импортное производство по ISO стандарту, размер 1x3x2 номер основного исполнения .
Производитель: AST.
ZZ = Два металлических экрана.
Цена по запросу
Цена на подшипник зависит от:
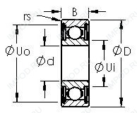
Габаритные размеры
Размеры и геометрические характеристики
Нагрузка и ресурс
Присоединительные размеры
Конструкция и исполнение
Прочие характеристики
Подшипник шариковый радиальный FR 0 ZZ (FBJ, ISO, NSK)
Подшипник шариковый радиальный FROZZ (ISB)
Радиальный шарикоподшипник WOB65 ZZX (KOYO)