Главная > Подшипники> Шариковые> Радиальные>SR09

SR09 — импортное производство по ISO стандарту, размер 1x3x1 основное исполнение.
Производитель: AST.
Цена по запросу
Цена на подшипник зависит от:
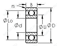
Габаритные размеры
Размеры и геометрические характеристики
Нагрузка и ресурс
Присоединительные размеры
Конструкция и исполнение
Прочие характеристики
Подшипник шариковый радиальный однорядный 100000/1.5
Подшипник шариковый радиальный однорядный 1000081
Подшипник шариковый радиальный однорядный с упорным бортом на наружном кольце 1840081
Подшипник шариковый радиальный однорядный с одной защитной шайбой 3060081
Подшипник шариковый радиальный однорядный с двумя защитными шайбами 3080081
Подшипник шариковый радиальный однорядный с упорным бортом на наружном кольце и одной защитной шайбой 3860081